微信掃碼
不僅是專業的導購
還是聊車的好伙伴
微信掃碼
不僅是專業的導購
還是聊車的好伙伴
一、垃圾車箱體可卸(拉臂)式垃圾車使用說明書(套臂式)--結構簡述:
1、附車架 程力箱體可卸式垃圾車附車架 采用16號低合金槽鋼、20號方管 與8mm、5mm、4mm、16Mn鋼板焊接而成,翻轉架與活動拉臂動作設計合理可靠,實現拉箱、 鎖緊、放箱和自卸操作簡單方便。 垃圾箱拉到附車架上時,有側向導向塊定位及鎖緊鉤鎖緊定位,整車行駛中箱體無歪 斜現象,安全可靠;車架上安裝有滾輪,便于箱體向前或向后移動。 附車架前端可設有水箱,便于操作人員及時清理污物,保持干凈整潔。
2、垃圾箱體 垃圾箱體采用10號熱軋普通槽鋼、16號方管與12mm、8mm、5mm、4mm鋼板等焊接而 成,箱體上端可設計為斜角并帶有蓋板,便于裝放垃圾及裝滿后的密封,同時箱體為整體 密封式結構,防止箱體移動時造成二次污染。 箱體后門可安裝液壓鎖緊裝置,通過車架上的快接接頭裝接,并且用高壓球閥控制油 路開啟或關閉,操作簡單方便。
3、橫向鎖緊架機構 鎖緊架機構設置在翻轉架上,通過液壓油缸的動作實現鎖緊功能。當垃圾箱體放置在 附車架時,通過鎖緊架的鎖緊,使整車在行駛過程中箱體牢固穩定,同時在自卸過程中使 箱體與活動套臂及翻轉架連成一體,形成自卸角;該機構的動作使得整車工作準確可靠。
4、縱向鎖緊機構 縱向鎖緊機構安裝于活動套臂下方,靠套臂內的伸縮拉臂帶動。當伸縮油缸伸出時, 伸縮拉臂向前移動,鎖緊機構因彈簧的作用使活動套臂與翻轉架連為一體;當伸縮油缸收 回時,伸縮拉臂向后移動,鎖緊機構則因伸縮拉臂推力使活動套臂與翻轉架脫開鎖緊。
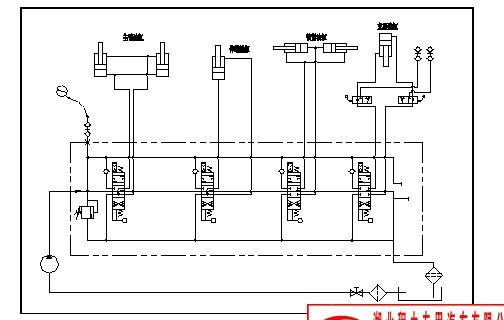
5、液壓系統 該車液壓油缸動作采用手動液壓多路閥控制,液壓多路閥控制油缸動作。操作簡單可 靠,便于維修。 液壓系統由油箱及過濾系統、油泵、多路換向閥、單向節流閥、油缸、油管等組成。 系統的動力來源于發動機,通過取力器將動力分出,取力器帶動齒輪泵工作。 齒輪泵經吸油濾油器將液壓油箱中的液壓油吸入,多路閥(位于駕駛室外后、車箱前 部)供油。多路閥工作時使拉臂油缸、鎖緊油缸產生動作,液壓油缸不工作時,液壓油經 過多路閥直接回油箱。 液壓系統原理圖:(以東風153為例)

二、垃圾車箱體可卸(拉臂)式垃圾車使用說明書(套臂式)--主要配件清單
|
序號 |
名稱 |
規格 |
數量 |
備注 |
|
1 |
液壓油泵 |
CBT-F563FHL |
1 |
|
|
2 |
取力器 |
|
1 |
|
|
3 |
多路閥4聯 |
|
2 |
|
|
4 |
主臂油缸 |
140/70-1680_1320 |
1 |
|
|
5 |
橫向鎖緊油缸 |
63/30-462_(2_80) |
1 |
|
|
6 |
伸縮臂油缸 |
90/50-1190_850 |
1 |
|
|
7 |
支腿油缸 |
90/50-355_125 |
1 |
|
|
8 |
高壓油管 |
Φ19 |
1 |
|
|
9 |
截止閥 |
Q11F-16P |
1 |
|
|
10 |
液壓表 |
YN-60 40MPa |
1 |
|
|
11 |
液壓油箱 |
110 升 |
1 |
|
|
12 |
鎖門油缸 |
63/30-360_65 |
2 |
,
選裝 |
重汽豪沃檢修車(大流量排水搶險車) 整車型號:CL5040TPS6ACC 現車價格美麗 底盤配置:豪華寬體駕駛室、濰柴151、160馬力、萬里揚5檔、2.0T/4.5T、700R16鋼絲胎、原廠導流罩,半包圍駕駛室內飾,液晶儀表盤,帶中控、電窗、織物座椅、氣喇叭、原廠空調,全包裹、車鑰匙遠程遙控玻璃升降!重汽豪沃檢修車(大流量排水搶險車)圖片展示:?
程力汽車公司主要銷售:冷藏車、吸污車、環衛垃圾車、吸糞車、道路清掃車、高空作業車 地址:湖北省·隨州市·南郊平原崗·程力汽車工業園 網站備案號:鄂ICP備18017768號-134
鄂公網安備 42130202001503號